ОТДЕЛ ОБОРУДОВАНИЯ:  +7 (343) 288-05-68

E-mail:  revanta2011@mail.ru
Адрес: 

Свердловская обл., г. Березовский, ул. Центральная Шахта, 3Б


Редукторы РМ - цилиндрические горизонтальные двухступенчатые

Редукторы типа РМ общемашиностроительного применения

Редукторы цилиндрические двухступенчатые горизонтальные общемашиностроительного применения РМ-250; РМ-350; PM-400; РМ-500; Р650; РМ-750; РМ-850; PM-1000 предназначены для увеличения крутящего момента и уменьшения частоты вращения. Оборудование может быть использовано при повышенной запыленности воздуха, но общие условия эксплуатации не должны быть агрессивными.

Условия применения:

  • нагрузка постоянная и переменная, одного направления и реверсивная;
  • работа длительная или с периодическими остановками, вращение валов в любую сторону;
  • частота вращения входного вала не должна превышать 1500 об/мин;
  • температура окружающей среды от – 40°С до +50°С;
  • повышенная запыленность, неагрессивная среда;
  • климатическое исполнение У, Т для категории размещения 1...4 по ГОСТ 15150.

Пример обозначения редуктора при заказе: РМ-750-40-12-ЦЦ У2, где

  • РМ – тип редуктора
  • 750 – суммарное межосевое расстояние, мм
  • 40 – номинальное передаточное число
  • 12 - вариант сборки
  • ЦЦ – вариант исполнения конца входного и выходного вала, соответственно
  • У2 – климатическое исполнение и категория размещения

Основные технические характеристики

Исполнение конца тихоходного вала может быть цилиндрическим - Ц или в виде части зубчатой муфты - М. Исполнение тихоходного вала в виде части зубчатой муфты выполняется по вариантам сборки-11, 12, 21, 22, 31, 32.PБmax - максимально допустимая консольная нагрузка на входном валу, кН;
PТmax - максимально допустимая консольная нагрузка на выходном валу, кН;
PMmax - максимально допустимая консольная нагрузка на выходном валу в виде части зубчатой муфты, кН.

Варианты сборки

 

Габаритные и присоединительные размеры редукторов РМ

Габаритные и присоединительные размеры редукторов РМ-250, РМ-350, РМ-400, РМ-500

 

Габаритные и присоединительные размеры редукторов РМ-650, РМ-750, РМ-850, РМ-1000

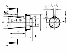
Присоединительные размеры концов входных валов

Размеры концов входных валов

Присоединительные размеры концов выходных валов

Размеры концов выходных валов под муфты

Присоединительные размеры концов выходных валов в виде зубчатой муфты

Размеры концов выходных валов в виде зубчатой муфты

Партнерские отношения и дилерские соглашения с ведущими отечественными производителями редукторов позволяют нашей компании предложить Вам цены ниже среднерыночных при всех гарантиях качества. Доставка до транспортной компании для Вас будет бесплатной. Заявку можно оформить на сайте или звоните!


Доставка по России.
Скидки постоянным клиентам!

СПЕЦПРЕДЛОЖЕНИЯ

 

 

 

ПРОИЗВОДСТВО МЕТАЛЛОКОНСТРУКЦИЙ

 

ДИЛЕРСКИЕ СОГЛАШЕНИЯ

 

ПОЛЕЗНАЯ ССЫЛКА

 

ПромЭК-2005-2025
    Главная     Координаты    Разработка сайта в Екатеринбурге
Дизайн-студия D1.ru