ОТДЕЛ ОБОРУДОВАНИЯ:  +7 (343) 288-05-68

E-mail:  revanta2011@mail.ru
Адрес: 

Свердловская обл., г. Березовский, ул. Центральная Шахта, 3Б


Насосы Lowara для систем охлаждения. Серия TLCК

Насосы Lowara для систем охлаждения. Серия TLCК

Гидравлические характеристики и структура условного обозначения - здесь.

Технические характеристики насоса

  • Подача: до 5,5 м3
  • Напор: до 6 м
  • Температура перекачиваемой жидкости: -25°C ÷ +110°C.
    Без образования льда или конденсата.
    Смесь воды и гликоля с максимальным содержанием 50%.
    Для жидкостей с содержанием гликоля более 50%, должны быть проверены гидравлические характеристики.
  • Максимальное рабочее давление: 10 бар (PN 10).
  • Рабочее колесо: из композитного материала.
  • Кольцо для защиты от износа: керамика.

Технические характеристики электродвигателя

  • С мокрым ротором, с подшипниками, смазываемыми при помощи перекачиваемой жидкости. Осевые и радиальные подшипники из керамики.
  • Однофазное электропитание 230В 50Гц. Коробка клеммника встроена в двигатель.
  • Двигатель с двумя полюсами, с тремя скоростями, с ручным выбором.
  • Соответствует стандартам 60335-1 и 2-51.
  • Класс изоляции H (180°C).
  • Степень защиты: IP 44.

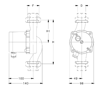
Размеры и масса насосов Lowara серии TLСK

Звоните! Наши менеджеры сообщат цены на надежные насосы Lowara


Доставка по России.
Скидки постоянным клиентам!

СПЕЦПРЕДЛОЖЕНИЯ

 

ПРОИЗВОДСТВО КОНВЕЙЕРОВ, БУНКЕРОВ, РАМНЫХ КОНСТРУКЦИЙ

 

ДИЛЕРСКИЕ СОГЛАШЕНИЯ

 

ПромЭК-2005-2026
    Главная     Координаты    Хостинг в Екатеринбурге
Дизайн-студия D1.ru