ОТДЕЛ ОБОРУДОВАНИЯ:  +7 (343) 288-05-68

E-mail:  revanta2011@mail.ru
Адрес: 

Свердловская обл., г. Березовский, ул. Центральная Шахта, 3Б


Мотор-редуктор МЧ-160

Основные технические характеристики МЧ-160

 

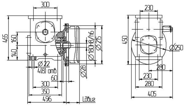
Габаритные и присоединительные размеры с электродвигателем АИР-100

Габаритные и присоединительные размеры с электродвигателем АИР-112

Присоединительные размеры тихоходного вала

 

Пример условного обозначения червячных мотор редукторов разных серий при заказе см. здесь.

Партнерские отношения и дилерские соглашения с ведущими отечественными производителями редукторов позволяют нашей компании предложить Вам цены ниже среднерыночных при всех гарантиях качества. Доставка до транспортной компании для Вас будет бесплатной.

Отправляйте заявку с сайта или звоните!


Доставка по России.
Скидки постоянным клиентам!

СПЕЦПРЕДЛОЖЕНИЯ

 

ПРОИЗВОДСТВО КОНВЕЙЕРОВ, БУНКЕРОВ, РАМНЫХ КОНСТРУКЦИЙ

 

ДИЛЕРСКИЕ СОГЛАШЕНИЯ

 

ПромЭК-2005-2026
    Главная     Координаты    Разработка сайта в Екатеринбурге
Дизайн-студия D1.ru